pg电子官网 copyright @ 2010-2025 all rights reserved 珠海黑石电气统计代码
辽宁完善煤改电清洁取暖工商业用户电价支持政策 -pg电子官网
11月3日,辽宁省发展和改革委员会发布关于完善煤改电清洁取暖工商业用户电价支持政策有关事项的通知。文件明确,电价支持政策:
(一)输配电价标准。清洁取暖用户采暖期的采暖用电量,谷段输配电价按相应电压等级输配电价的50%执行,其余时段输配电价按辽宁电网工商业分电压等级输配电价标准执行,非采暖期不再执行谷段输配电价。
(二)时段划分。谷段时间主要考虑我省电力供需状况、系统用电负荷特性和调节能力等因素进行划分,原则上每年采暖期前发布。2025-2026年采暖期谷段时间为每日11:00-14:00和22:00-次日5:00,合计10小时。
详情如下:
关于完善煤改电清洁取暖工商业用户电价支持政策有关事项的通知
市发展改革委、工业和信息化局,国网辽宁省电力有限公司,辽宁电力交易中心有限公司,各有关经营主体:
为充分发挥价格对资源配置的引导作用,促进全省清洁取暖持续向好发展,抓住全国统一大市场建设的有利契机,因地制宜、积极稳妥推动相关工作,按照国家发展改革委等部门印发的《关于促进北方地区清洁取暖持续向好发展的意见》(发改能源〔2022〕1916号)《国家发展改革委关于印发北方地区清洁供暖价格政策意见的通知》(发改价格〔2017〕1684号)等文件精神,结合我省电力现货市场建设情况,现就全省煤改电清洁取暖工商业用户采暖期用电价格政策及有关事项通知如下。
一、实施范围
煤改电清洁取暖工商业用户(以下简称清洁取暖用户)是指工商业用户中,在每年11月1日至次年3月31日的采暖期采用电热膜、电锅炉等方式通过电能直接转换为热能(不含移动式电取暖器和空调用电)或采用地源热泵、空气源热泵等国家鼓励的热泵技术以电能作为设备驱动能源的,为自身或者其他用户提供集中清洁取暖服务(不包含工业企业生产用热)的用户。该用户应为与发电企业开展电力市场交易的用户(批发用户)或委托售电公司代理参与电力市场交易用户(零售用户),采暖用电量应单独装表计量。
二、电价支持政策
(一)输配电价标准。清洁取暖用户采暖期的采暖用电量,谷段输配电价按相应电压等级输配电价的50%执行,其余时段输配电价按辽宁电网工商业分电压等级输配电价标准执行,非采暖期不再执行谷段输配电价。
(二)时段划分。谷段时间主要考虑我省电力供需状况、系统用电负荷特性和调节能力等因素进行划分,原则上每年采暖期前发布。2025-2026年采暖期谷段时间为每日11:00-14:00和22:00-次日5:00,合计10小时。
三、市场化交易方式
按照“辽宁省电力市场运营规则及配套细则”、《关于加强辽宁省电力现货市场连续结算试运行技术管理及结算相关事项的通知》规定,清洁取暖用户中的零售用户合同期内不能提出申请成为批发用户,除此之外可自愿申请作为批发用户直接参与电力市场交易。成为批发用户的清洁取暖用户参与辽宁省电力市场交易时,不受中长期合约缺额考核约束,不对中长期缺额获利费用进行回收。
四、申请流程
自本通知印发之日起,清洁取暖用户自愿向属地电网企业提出申请。受理申请10个工作日内,属地电网企业联合本地区工业和信息化部门对申请用户是否符合本文所述“实施范围”进行现场确认。确认符合“实施范围”的用户在辽宁电力交易中心注册成为市场交易用户后,到属地电网企业办理用电变更手续,下一个供暖月(不早于2026年1月)起清洁取暖用户采暖用电量按照上述“电价支持政策”参与辽宁电力市场清分结算。未签署合同成为零售用户的清洁取暖用户,自动成为批发用户。
五、其他要求
(一)已执行电供暖(供热)政策,即《关于明确相关优惠政策大力推进煤改电供暖工作的通知》(辽经信电力〔2016〕74号)、《辽宁省电供暖(供热)电力交易方案及规则》(辽经信电力〔2016〕140号)及其补充规定(辽经信电力〔2017〕163号)明确的电供暖(供热)电力交易的市场主体、交易方式、交易价格、交易电量、计量及结算等相关政策的“煤改电”供暖用户属于清洁取暖用户。这类用户暂不执行本政策,具体执行时间另行通知。
(二)各相关部门要密切协作,结合各自职能,加强政策宣传解读和舆论引导,让清洁取暖用户准确理解电价支持政策、市场准入和认定条件以及申报时间节点,确保政策平稳实施。
(三)电网企业每个采暖期要单独统计煤改电清洁取暖工商业用户数量、采暖期用电量、用电价格、计费方式、电费总额等,采暖期结束后及时书面报省发展改革委、省工业和信息化厅。
(四)电网企业抓紧推进计费系统配套调整和分时计量装置现场的调整(更换),2026年1月1日起按本通知要求结算。对于因现场调整(更换)计量装置造成未按时执行本通知的,由用户在表计调整(更换)后3个月内向属地电网企业申请退费。电网企业应尽量简化流程、提供便利条件为用户做好退费服务。
本通知自2026年1月-2027年3月的采暖期间执行。期间如遇国家政策调整同步调整。为便于操作,采暖用电量按照电网企业实际自然月结算电量执行。
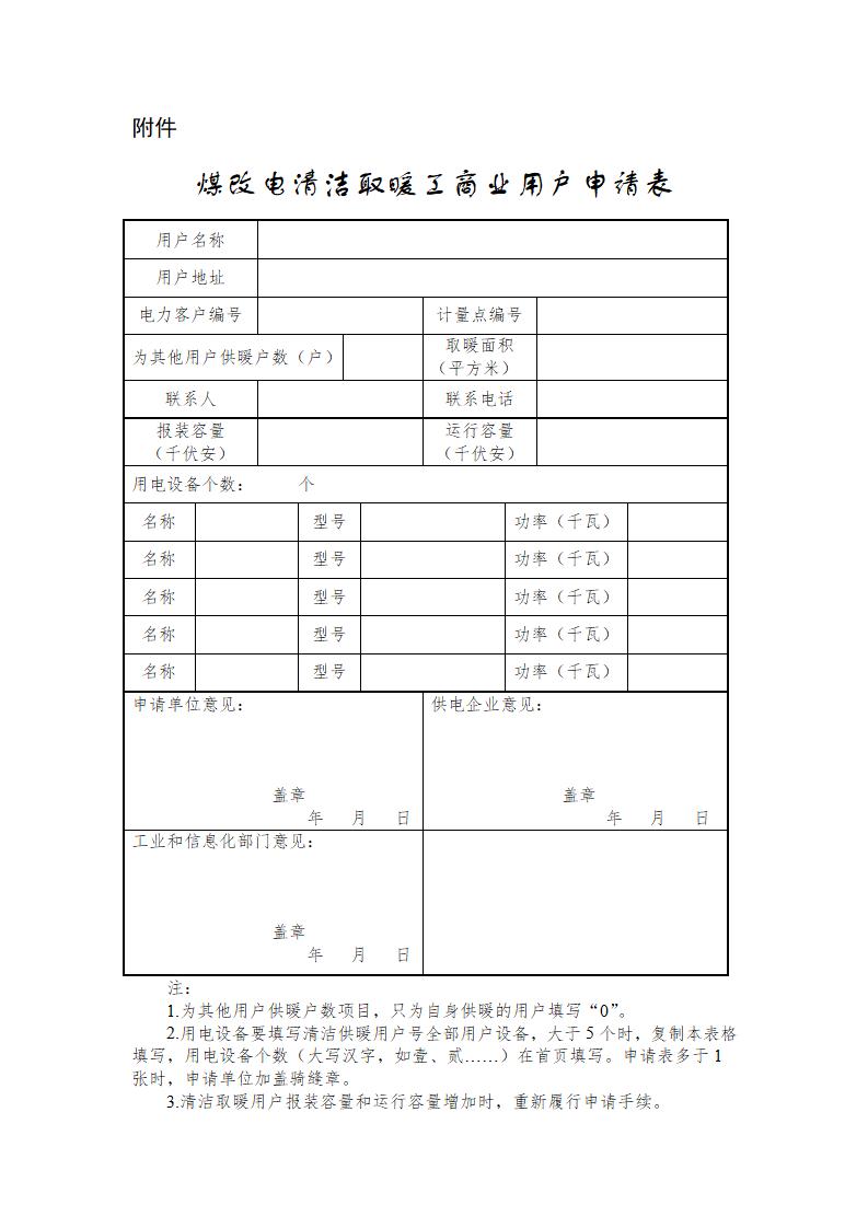
附件:煤改电清洁取暖工商业用户申请表


